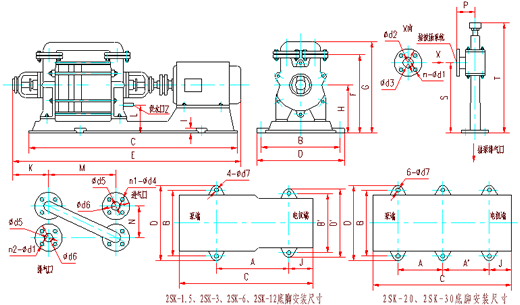
代号 |
A |
A' |
B |
B' |
C |
D |
D' |
E |
F |
G |
H |
I |
J |
K |
L |
2SK-1.5P1 |
605 |
/ |
360 |
360 |
950 |
410 |
410 |
1150 |
422 |
485 |
270 |
30 |
125 |
214 |
162 |
2SK-3P1 |
710 |
/ |
400 |
400 |
1136 |
460 |
460 |
1346 |
417 |
491 |
265 |
35 |
159 |
214 |
157 |
2SK-6P1 |
863 |
/ |
420 |
420 |
1391 |
470 |
470 |
1623 |
500 |
608 |
315 |
30 |
218 |
234 |
183 |
2SK-12P1 |
1038 |
/ |
520 |
460 |
1642 |
580 |
520 |
1965 |
615 |
750 |
375 |
30 |
216 |
246 |
183 |
2SK-20P1 |
700 |
700 |
690 |
/ |
1972 |
750 |
/ |
2306 |
840 |
1004 |
500 |
30 |
306 |
283 |
225 |
2SK-30P1 |
810 |
750 |
720 |
/ |
2215 |
780 |
/ |
2715 |
840 |
1004 |
500 |
30 |
344 |
283 |
225 |
代号 |
M |
N |
P |
S |
T |
Z |
n1 |
n2 |
d1 |
d2 |
d3 |
d4 |
d5 |
d6 |
d7 |
2SK-1.5P1 |
264 |
162 |
99 |
180 |
360 |
G1/2" |
4 |
4 |
14 |
92 |
120 |
18 |
110 |
150 |
14 |
2SK-3P1 |
344 |
162 |
99 |
357 |
570 |
G1/2" |
4 |
4 |
18 |
120 |
152 |
18 |
110 |
150 |
14 |
2SK-6P1 |
429 |
210 |
99 |
515 |
734 |
G1/2" |
4 |
4 |
18 |
120 |
152 |
18 |
125 |
160 |
18 |
2SK-12P1 |
599 |
280 |
120 |
565 |
800 |
G1/2" |
6 |
6 |
14 |
150 |
180 |
14 |
170 |
200 |
27 |
2SK-20P1 |
619 |
350 |
180 |
774 |
1022 |
G3/4" |
8 |
8 |
18 |
200 |
235 |
18 |
200 |
235 |
27 |
2Sk-30P1 |
749 |
350 |
180 |
1016 |
1264 |
G3/4" |
8 |
8 |
18 |
200 |
235 |
18 |
200 |
235 |
27 |
|