| |
| SZB系列水环式真空泵 |
|
产品用途及特点使用范围:
SZB型真空泵是悬壁式水环真空泵,可供抽吸空气或其它无腐蚀性、不溶于水、不含有固体颗粒的气体,最低吸入压力为-0.086MPa,被广泛应用于机械、石油、化工、制药和食品等工业及其他领域。特别适合于做大型水泵引水用。 |
| SZB系列水环真空泵技术规格 |
型号 |
排气量 |
吸入真空
(mmHg) |
最大真空度 |
泵转速
(r.p.m) |
电机功率
(kw) |
口径(mm) |
泵重
(整机)
(Kg) |
|
L/S |
吸入 |
排出 |
SZB-4 |
19.8 |
5.5 |
440 |
80% |
1410 |
1.5 |
G1" |
G1" |
115 |
14.4 |
4 |
520 |
7.2 |
2 |
600 |
0 |
0 |
650 |
SZB-8 |
38.2 |
10.6 |
440 |
80% |
1420 |
2.2 |
G1" |
G1" |
130 |
28.8 |
8 |
520 |
14.4 |
4 |
600 |
0 |
0 |
650 |
|
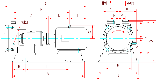
| SZB-4、SZB-8水环式真空泵外形及安装尺寸图 |
|
代号 |
A |
B |
C |
D |
E |
F |
G |
H |
I |
J |
K |
Y |
Z |
W |
R |
Q |
P |
O |
X |
SZB-4 |
763 |
508 |
313 |
193 |
182 |
400 |
665 |
133 |
315 |
365 |
140 |
136 |
286 |
155 |
180 |
366 |
54 |
116 |
110 |
SZB-8 |
820 |
527 |
313 |
212 |
195 |
400 |
665 |
133 |
345 |
395 |
140 |
136 |
286 |
180 |
180 |
378 |
54 |
116 |
158 |
|
|
| |