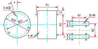
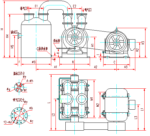
SK-60、SK-85、SK-120水环式真空泵外形及安装尺寸图
底脚安装尺寸

代号

A1

A2

A3

B

C

D

D1

D2

E1

E2

F

H

H1

H2

H3

H4

SK-60

1283

1430

620

1020

1088

1000

1089

1170

500

465

100

1915

695

525

1025

1474

SK-85

1283

1430

660

1020

1158

1000

1089

1170

500

465

100

1915

695

550

1110

1474

SK-120

1773

1528

620

1330

/

1400

1512

1612

640

705

100

2458

945

600

1255

1970

代号

H5

I

J

K

L

L1

L2

L3

M1

M2

N1

N2

P1

P2

S

T

SK-60

750

35

80

305

1928

1305

1000

815

1215

830

620

490

940

910

153

260

SK-85

750

35

80

305

2178

1510

1125

915

1465

990

690

630

940

1160

153

280

SK-120

1000

50

150

520

2340

1445

1224

926

1740

960

710

620

1210

1240

250

300

代号

a

b

c

d

e

f

g

h

i

j

k

x

G

底脚螺栓

SK-60

370

250

335

18

205

100

170

18

18

36

36

15°

G1"

M30×500

SK-85

370

250

335

18

205

100

170

18

18

36

36

15°

G1"

M30×500

SK-120

435

300

395

23

205

100

170

18

18

48

48

0

G1.25"

M42×630

 
  >>>返回上一层<<<    >>>返回首页<<<                上一页    下一页