| |
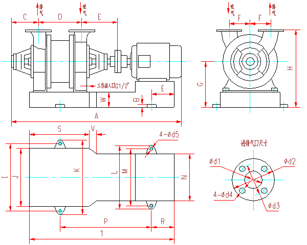
| SK-1.5、SK-3水环式真空泵及压缩机外形及安装尺寸图 |
|
代号 |
A |
B |
C |
D |
E |
F |
G |
H |
I |
J |
K |
L |
M |
N |
SK-1.5 |
947 |
25 |
172 |
180 |
215 |
130 |
289 |
475 |
420 |
355 |
470 |
392 |
342 |
248 |
SK-3 |
1122 |
25 |
172 |
260 |
215 |
130 |
289 |
475 |
454 |
355 |
504 |
420 |
370 |
300 |
代号 |
P |
R |
S |
T |
W |
d1 |
d2 |
d3 |
d4 |
d5 |
Z |
V |
底脚螺栓 |
SK-1.5 |
513 |
100 |
260 |
735 |
177 |
70 |
160 |
130 |
14 |
18 |
187 |
40 |
M16×400 |
SK-3 |
640 |
100 |
370 |
900 |
177 |
70 |
160 |
130 |
14 |
18 |
195 |
60 |
M16×400 |
|
| |
| SK-1.5、SK-3水环式真空泵及压缩机用气水分离器外形及安装尺寸 |
|
A |
B |
C |
D |
E |
F |
G |
H |
I |
J |
K |
L |
M |
N |
P |
R |
240 |
50 |
760 |
500 |
70 |
620 |
380 |
965 |
40 |
230 |
70 |
300 |
150 |
150 |
140 |
275 |
Z1 |
Z2 |
Z3 |
Z4 |
Z5 |
d1 |
d2 |
d3 |
d4 |
d5 |
d6 |
d7 |
d8 |
d9 |
O |
- |
G3/8" |
G1" |
G1/2" |
G1/2" |
G1.5" |
14 |
160 |
65 |
130 |
90 |
12 |
65 |
15 |
14 |
45° |
- |
|
| |
| >>>返回上一层<<< >>>返回首页<<< 上一页 下一页 |
| |